Klumpenbrecher
Lösungen für bestehende Fallleitungen

zuverlässig und gleichmäßig

Klumpenbrecher

Verklumpte Pulver oder Granulate stellen in vielen Fördersystemen ein häufiges Problem dar. Sie können zu Verstopfungen, ungleichmäßigem Materialfluss und Produktionsstörungen führen. In vielen Fällen scheint ein aufwendiger Umbau der bestehenden Förderleitungen die einzige Lösung zu sein – was jedoch kostenintensiv, zeitaufwendig und mit Produktionsunterbrechungen verbunden ist.

Der Klumpenbrecher von Kitzmann bietet hierfür eine einfache und wirtschaftliche Alternative. Er lässt sich direkt in bestehende Fördersysteme integrieren, ohne dass umfangreiche Umbauten erforderlich sind.

Dabei zerkleinert er zuverlässig Materialverklumpungen, sorgt für einen gleichmäßigen Materialfluss und stabilisiert den gesamten Förderprozess. So entsteht eine schnelle, kosteneffiziente Lösung, um bestehende Anlagen zu optimieren und Produktionsstörungen zu vermeiden.

Merkmale

Vorteile

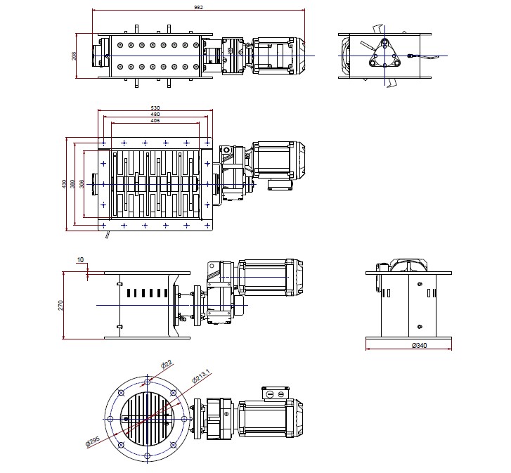
  • Zerstörung von Klumpen und Agglomeraten
    von leichten bis mittelschweren Schüttgütern
  • Integration in Förderleitung und Auslaufflanschen
    nach EN 1092-1/02 PN 10
  • Durchmesserbereiche von 200–350 mm
    für flexible Einsatzmöglichkeiten
  • Werkstoff wahlweise aus 1.4301, 1.4571
    gebeizt und passiviert oder Stahl pulverbeschichtet
  • Werkzeugwelle leicht austauschbar
    für schnelle Wartung
  • Wellendichtring-Abdichtung mit
    Luftspülung für sicheren Betrieb
  • Gewährleistet gleichbleibenden Materialfluss ohne Verstopfungen
  • Minimiert Stillstände durch einfache Wartung und schnellen Werkzeugwechsel
  • Hohe Betriebssicherheit auch bei anspruchsvollen Materialien

Unsere Lösungen für Ihre Anwendung:

Unsere Bereiche